HOME > 제품소개 > 엔드밀


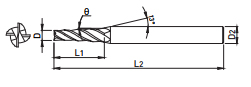
| EDP. No. | D | θ | L1 | L2 | D2 |
|---|---|---|---|---|---|
| WTE504 030 005 | 3.0 | 30` | 12.0 | 50 | 6 |
| WTE504 030 01 | 3.0 | 1˚ | 12.0 | 50 | 6 |
| WTE504 030 015 | 3.0 | 1˚30` | 12.0 | 50 | 6 |
| WTE504 030 02 | 3.0 | 2˚ | 14.0 | 50 | 6 |
| WTE504 030 03 | 3.0 | 3˚ | 14.0 | 50 | 6 |
| WTE504 030 05 | 3.0 | 5˚ | 16.0 | 50 | 6 |
| WTE504 030 07 | 3.0 | 7˚ | 16.0 | 50 | 8 |
| WTE504 030 10 | 3.0 | 10˚ | 16.0 | 50 | 10 |
| WTE504 040 005 | 4.0 | 30` | 16.0 | 60 | 6 |
| WTE504 040 01 | 4.0 | 1˚ | 16.0 | 60 | 6 |
| WTE504 040 015 | 4.0 | 1˚30` | 16.0 | 60 | 6 |
| WTE504 040 02 | 4.0 | 2˚ | 16.0 | 60 | 6 |
| WTE504 040 03 | 4.0 | 3˚ | 19.0 | 60 | 6 |
| WTE504 040 05 | 4.0 | 5˚ | 22.0 | 65 | 8 |
| WTE504 040 07 | 4.0 | 7˚ | 16.0 | 65 | 8 |
| WTE504 040 10 | 4.0 | 10˚ | 17.0 | 65 | 10 |
| WTE504 060 005 | 6.0 | 30` | 20.0 | 65 | 8 |
| WTE504 060 01 | 6.0 | 1˚ | 20.0 | 65 | 8 |
| WTE504 060 015 | 6.0 | 1˚30` | 20.0 | 65 | 8 |
| WTE504 060 02 | 6.0 | 2˚ | 20.0 | 65 | 8 |
| WTE504 060 03 | 6.0 | 3˚ | 19.0 | 65 | 8 |
| WTE504 060 05 | 6.0 | 5˚ | 22.0 | 75 | 10 |
| WTE504 060 07 | 6.0 | 7˚ | 24.0 | 75 | 12 |
| WTE504 060 10 | 6.0 | 10˚ | 17.0 | 75 | 12 |
| WTE504 070 005 | 7.0 | 30` | 28.0 | 70 | 8 |
| WTE504 070 01 | 7.0 | 1˚ | 28.0 | 70 | 8 |
| WTE504 070 015 | 7.0 | 1˚30` | 28.0 | 70 | 10 |
| WTE504 070 02 | 7.0 | 2˚ | 28.0 | 80 | 10 |
| WTE504 070 03 | 7.0 | 3˚ | 28.0 | 80 | 10 |
| WTE504 070 05 | 7.0 | 5˚ | 28.0 | 80 | 12 |
| WTE504 080 005 | 8.0 | 30` | 35.0 | 90 | 10 |
| WTE504 080 01 | 8.0 | 1˚ | 35.0 | 90 | 10 |
| WTE504 080 015 | 8.0 | 1˚30` | 35.0 | 90 | 10 |
| WTE504 080 02 | 8.0 | 2˚ | 28.0 | 90 | 10 |
| WTE504 080 03 | 8.0 | 3˚ | 38.0 | 90 | 12 |
| WTE504 080 05 | 8.0 | 5˚ | 45.0 | 100 | 16 |
| WTE504 080 07 | 8.0 | 7˚ | 32.0 | 90 | 16 |
| WTE504 080 10 | 8.0 | 10˚ | 34.0 | 100 | 20 |
| WTE504 100 005 | 10.0 | 30` | 40.0 | 90 | 12 |
| WTE504 100 01 | 10.0 | 1˚ | 40.0 | 90 | 12 |
| WTE504 100 015 | 10.0 | 1˚30` | 38.0 | 90 | 12 |
| WTE504 100 02 | 10.0 | 2˚ | 40.0 | 90 | 16 |
| WTE504 100 03 | 10.0 | 3˚ | 40.0 | 100 | 16 |
| WTE504 100 05 | 10.0 | 5˚ | 34.0 | 100 | 16 |
| WTE504 100 07 | 10.0 | 7˚ | 40.0 | 90 | 20 |
| WTE504 100 10 | 10.0 | 10˚ | 42.0 | 100 | 25 |
| 탄소강 (S45C, S55C...) ~ HB225 |
합금강 (SCM, SK...) HB225~325 |
프리하든강 (NAK...) HRc30~50 |
열처리강 | 동 | 흑연 | 주철 FCD400. 500~ |
알루미늄 | 스테인리스강 | |
|---|---|---|---|---|---|---|---|---|---|
| ~HRc55 SKD61 | ~HRc55 SKD11 | ||||||||
| ○ | ○ | ◎ | ○ | ○ | ○ | ||||
| 인선부 (mm) | 자루부 |
|---|---|
| 0 ~ -0.03 | h6 |